´¨ÍÁ΢µç×ÓCA-IS2062A ³¬Ð¡ÐÍ»¯¡¢ÄÚÖÃDC-DCת»»Æ÷µÄ2.5kVRMS¸ôÀëʽCANÊÕ·¢Æ÷ÐÂÆ·Ðû²¼£¡
01²úÆ·¸ÅÊö
CA-IS2062A ÊÇÒ»¿î¸ôÀëʽ¿ØÖÆÆ÷¾ÖÓòÍø£¨CAN£©ÊÕ·¢Æ÷£¬ ÄÚ²¿¼¯³É DC-DC ת»»Æ÷£¬Ê¡È¥ÁËÍⲿ¸ôÀëµçÔ´£¬ÓÐЧ½Úʡϵͳ¿Õ¼äºÍ¼ò»¯Éè¼Æ¡£¸ÃÆ÷¼þÌṩ½Ï¸ßµÄµçÆø¸ôÀëÆ·¼¶²¢¾ßÓÐÓÅÒìµÄÐÔÄÜ£¬¿ÉÒÔÂú×㹤ҵӦÓõÄÐèÇ󡣯÷¼þÄÚ²¿µÄÂß¼ÊäÈëÓëÊä³ö»º³åÆ÷Ö®¼äͨ¹ý¶þÑõ»¯¹è£¨SiO2£© ¾øÔÃ÷ÈÕ¤¸ôÀ룬Äܹ»ÃÉÊܸߴï 2.5kVRMS£¨1 ·ÖÖÓ£©µÄ¸ôÀëµçѹÒÔ¼°¡À150kV/¦Ìs µÄµä·¶¹²Ä£Ë²Ì¬¿¹ÈŶȡ£¾øÔÃ÷ÈÕ¤×è¶ÏÁËÂß¼²àÓë×ÜÏß²àµÄµØ»·Â·£¬ÓÐÖúÓÚ½µµÍ¶Ë¿Ú¼äµØµçÊÆ²î½Ï¸ßµÄÔëÉù£¬È·±£Êý¾ÝµÄÕýÈ·´«Êä¡£
CA-IS2062A Âß¼²àµÄ DC-DC ת»»Æ÷µçÔ´ VDDP ½ÓÄÉ+5V µ¥µçÔ´¹©µç£¬Âß¼µçÔ´ VDDL Ö§³Ö 2.5V µ½ 5.5V ¹©µç¹æÄ££¬VDDL ºÍ VDDP À뿪¿ÉÒÔʹÓòî±ðµçѹ¹©µç£¬±ãµ±ºÍµÍѹ¿ØÖƵç·µÄÐźŽ»»¥¡£Èô VDDL ʹÓà 5V µçÔ´¹©µç£¬¿ÉÒÔÖ±½ÓºÍ VDDP ¹²ÓÃÒ»¸öÍⲿµçÔ´¡£Æ÷¼þµÄ×ÜÏß²à VISOOUTÓÉÄÚ²¿ DC-DC ת»»Æ÷±¬·¢ 5V Êä³öµçѹ£¬Îª×ÜÏß²à CAN ÊÕ·¢Æ÷µçÔ´ VISOIN ¹©µç£¬Ó¦ÓÃÖÐÐèÒª°Ñ VISOOUT ºÍ VISOINÖ±½Ó¶Ì½Ó¡£
CA-IS2062A µÄ CAN ÊÕ·¢Æ÷Ö§³Ö¸ß´ï 5Mbps µÄ´«ÊäËÙÂÊ £¨CAN FD£©£¬²¢ÔÚ×ÜÏ߶˿ڣ¨CANH/CANL£©ÌṩÏÞÁ÷±£ »¤¡¢Èȹضϱ£»¤ÒÔ¼°¸ß´ï¡À42V µÄ¹ÊÕϵçѹ±£»¤£¬Çý¶¯Æ÷ÏÔÐÔ³¬Ê±±£»¤Ôò¿ÉÖÆÖ¹ÓÉÓÚ¿ØÖÆÆ÷¹ýʧ»ò TXD ÊäÈë¹Ê Õ϶øµ¼ÖµÄ×ÜÏß±ÕËø¡£±ðµÄ£¬¸ÃÆ÷¼þµÄ CAN ½ÓÊÕÆ÷Êä Èë¾ßÓСÀ30V µÄ¹²Ä£ÊäÈë¹æÄ££¨CMR£©£¬Ô¶Ô¶Áè¼Ý ISO 11898-2 ¹æ·¶½ç˵µÄ ¨C2V ÖÁ +7V µÄ¹æÄ££¬Ö§³Ö¿É¿¿µÄÊý¾ÝͨÐÅ¡£
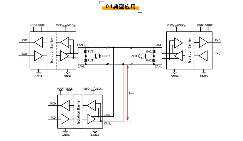
02²úÆ·ÌØÐÔ
? ÇÐºÏ ISO 11898-2:2016 ÎïÀí²ã±ê×¼ ? Ö§³Ö¸ß´ï 1Mbps ¾µä CAN ºÍ 5Mbps µÄ CAN FD £¨Áé»îÊý¾ÝËÙÂÊ£© ? ¼¯³É DC-DC ת»»Æ÷£¬Îª×ÜÏß²àÌṩ 5V ¸ôÀ빩µç ? ¼¯³É±£»¤¹¦Ð§Ö§³Ö¿É¿¿µÄÊý¾ÝͨÐÅ - ×ÜÏß¹ÊÕϱ£»¤µçѹ¹æÄ££º¡À42V - ×ÜÏß¹²Ä£ÊäÈëµçѹ¹æÄ££º¡À30V - Çý¶¯Æ÷ÏÔÐÔ³¬Ê±±£»¤ÖÆÖ¹×ÜÏß±ÕËø£¬ÔÊÐí×îµÍ ´«ÊäËÙÂÊΪ 4.4kbps - Èȹضϱ£»¤ºÍ×ÜÏß¶Ë¿ÚÏÞÁ÷±£»¤ - δÉϵçʱ×ÜÏßÒý½ÅΪ¸ß×è̬£¬ÀíÏëÎÞÔ´ÌØÐÔ - VDDP ºÍ VDDL µçԴǷѹ±£»¤ ? Âß¼²àµçÔ´ VDDL Ö§³Ö 2.5V µ½ 5.5V ¹©µç¹æÄ£ ? À©Õ¹¹¤ÒµÊÂÇéζȹæÄ££º¨C40¡ãC ÖÁ 125¡ãC ? ¸ß¹²Ä£Ë²Ì¬¿¹ÈŶȣº¡À150kV/¦Ìs£¨µä·¶Öµ£© ? µÍ»·Â·ÑÓʱ£º165ns£¨µä·¶Öµ£©£¬255ns£¨×î´óÖµ£© ? LGA16 ³¬½ô´ÕÐÍ·â×° ? ¶î¶¨ÊÂÇéµçѹϸôÀëÕ¤ÊÙÃü>40 Äê ? Ìṩ 2.5kVRMS£¨1 ·ÖÖÓ£©µÄ¸ôÀëÄÍѹƷ¼¶


Ŀǰ£¬´¨ÍÁ΢µç×Ó³¬Ð¡ÐÍ»¯ÈýºÏһϵÁвúÆ·ÒÑÁ¿²ú£ºCA-IS2092A µÍEMI´ø¸ôÀëµçÔ´µÄ¸ôÀëRS-485/RS-422¡¢CA-IS2631HA ´ø¸ôÀëµçÔ´µÄ³¬Ð¡ÐÍÊý×Ö¸ôÀëÆ÷¡£¸ÃϵÁвúÆ·¾ßÓÐÒÔϽ¹µãÓÅÊÆ£º
1£©¸ß¼¯³É¶È£¬ÈýºÏÒ»¼¯³É£»
2£©³¬Ð¡ÐÍ»¯·â×°£¬ÍâÐÎ4.65mmx5.20mm£¬³¬±¡£¬ºñ¶È½ö1mm£»
3£©¸ßת»»Ð§ÂÊ£»
4£©¸ßÐԼ۱ȣ¬±¾Ç®Óë·ÖÁ¢¼Æ»®Ï൱£¬³¹µ×ÍÆ·ÏÖÓÐÅÓ´óµÄ·ÖÁ¢¼Æ»®¡£
