´¨ÍÁ΢µç×ÓCA-IF43232Ex Ö§³Ö3Vµ½5.5V¶àͨµÀRS232ÊÕ·¢Æ÷ÐÂÆ·Ðû²¼£¡
01²úÆ·¸ÅÊö
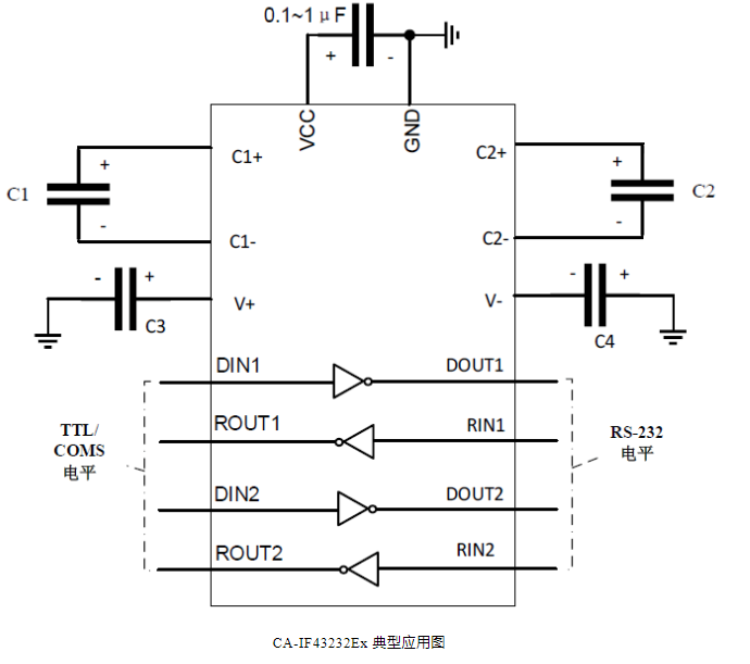
CA-IF3223Ex Æ÷¼þÓÉÁ½¸öÏß·Çý¶¯Æ÷¡¢Á½¸öÏß·½ÓÊÕÆ÷ºÍÒ»¸ö˫·µçºÉ±Ãµç·×é³É£¬ ¸ÃÆ÷¼þÇÐºÏ TIA/EIA-232-FµÄÒªÇó²¢ÔÚÒ첽ͨÐÅ¿ØÖÆÆ÷Óë´®Ðж˿ÚÁ¬½ÓÆ÷Ö®¼äÌṩµçÆø½Ó¿Ú¡£Ö§³ÖÓÉ 3V ÖÁ 5.5V µ¥µçÔ´¹©µç£¬Ð¾Æ¬ÄÚ²¿µçºÉ±ÃÐèÒªÍâ½ÓËĸöСÐÍÍⲿµçÈÝÆ÷¡£CA-IF43232Ex Ö§³Ö×î´óͨѶËÙÂÊ250kbps£¬DOUT1/DOUT2 Êä³öѹ°ÚÂÊ×î´óֵΪ30V/¦Ìs¡£
02²úÆ·ÌØÐÔ
? ÇкÏTIA/EIA-232-F ºÍITU V.28 ±ê×¼
? ¼¯³Éµçƽת»»¹¦Ð§£¬Ö§³Ö VCC ÊÂÇé½Úµã£º3.3V »ò5.0V
? ˫ͨµÀÇý¶¯Æ÷ºÍ˫ͨµÀ½ÓÊÕÆ÷
? ×î´óÊý¾ÝËÙÂÊ250Kbps
? µÍµçÔ´µçÁ÷(µä·¶ÖµÎª1mA)
? ˫·µçºÉ±ÃÍâ½Ó4 ¸ö0.1 ¦ÌF µÄµçÈÝ
? Âú×ãÉõÖÁÁè¼Ý RS-232 ½Ó¿ÚµÄ¼æÈÝÐÔÒªÇó
? ·â×°ÐÎʽ£ºSOIC16-NB(N)¡¢TSSOP16(TB)
03µä·¶Ó¦ÓÃ
? ÓÐÏßÍøÂç
? Êý¾ÝÖÐÐÄºÍÆóÒµ¼¶ÅÌËã
? µç³Ø¹©µçÐÍϵͳ
? µçÄÔ
? ´òÓ¡»ú
04Ó¦ÓÃͼ

